Текущее время: 04 мар 2026, 09:25

Часовой пояс: UTC + 3 часа




Начать новую тему Ответить на тему  [ Сообщений: 2974 ]  На страницу Пред.  1 ... 129, 130, 131, 132, 133, 134, 135 ... 149  След.
Автор Сообщение
СообщениеДобавлено: 18 ноя 2024, 18:26  Заголовок сообщения:
Не в сети
Аватара пользователя

Зарегистрирован: 19 июн 2008, 19:36
Сообщения: 7335
Откуда: Москва
Игорь Стихин писал(а):
... Какие музыкальные инструменты или голоса оперных певиц могут издавать такие частоты?
Самый низкий мужской голос у Фредди Меркюри - 7Гц. Самый высокий женский - 1350Гц.

Кроме основного тона у инструментов и голосов есть еще обертона, гармоники высших порядков. Вплоть до ультразвука. У чистой синусоиды гармоник нет. Но разве её приятно слушать? :D


Вернуться к началу
 Профиль  
 
СообщениеДобавлено: 18 ноя 2024, 19:05  Заголовок сообщения:
Не в сети
Аватара пользователя

Зарегистрирован: 25 фев 2013, 00:08
Сообщения: 23696
Алексей T. писал(а):
Игорь Стихин писал(а):
... Какие музыкальные инструменты или голоса оперных певиц могут издавать такие частоты?
Самый низкий мужской голос у Фредди Меркюри - 7Гц. Самый высокий женский - 1350Гц.

Кроме основного тона у инструментов и голосов есть еще обертона, гармоники высших порядков. Вплоть до ультразвука. У чистой синусоиды гармоник нет. Но разве её приятно слушать? :D

Есть один нюанс (как обычно) :)
Если посторонние призвуки издаёт человек или инструмент (или пароход) - это его персональный тембр звучания, то бишь плюс.
А если посторонние "гармоники" и прочий звуковой мусор привносит колонка (и вся звукозаписывающая, а потом воспроизводящая аппаратура) - это минус. И он не один, увы - их много, и с ними борются. И проф. инженеры и любители в области звукозаписи - кто как может :)


Вернуться к началу
 Профиль  
 
СообщениеДобавлено: 18 ноя 2024, 19:21  Заголовок сообщения:
Не в сети
Аватара пользователя

Зарегистрирован: 25 фев 2013, 00:08
Сообщения: 23696
В целом идеал тут тоже есть - линейная характеристика: что зашло на вход (по частотам и соотношению амплитуд), то должно и выйти - на колонки и из них в атмосферу.
Но, как и с фотографией - есть много способов "улучшить" финальную звуковую картинку: регулировка тембра, фильтры, подавители шумов, корректоры, разные "сецэффекторы" и т.д. и т.п. Широкое поле, в общем, для творчества )
А так как на вкус и цвет товарищей нет, то нет и лучшего усилителя и нет лучших колонок.
Каждый покопается и выберет что-то, что ему больше нравится. и далеко не факт, это это будет Симфония - 003


Вернуться к началу
 Профиль  
 
СообщениеДобавлено: 18 ноя 2024, 19:57  Заголовок сообщения:
Не в сети
Аватара пользователя

Зарегистрирован: 27 дек 2008, 21:04
Сообщения: 1245
Откуда: Николо-Березовка
Игорь Стихин писал(а):
... Что такое Дифкаскад?

Это дифференциальный каскад на входе усилителя.
Используется в усилителях с двуполярным питанием.
Изображение

_________________
Моя фототехника


Вернуться к началу
 Профиль  
 
СообщениеДобавлено: 19 ноя 2024, 05:51  Заголовок сообщения:
Не в сети
Аватара пользователя

Зарегистрирован: 28 апр 2019, 15:27
Сообщения: 1701
Откуда: Екатеринбург
Технический вопрос: "Мелодия-103м" может только от собственного усилителя работать? Более мощный в паре с ней может быть подкючён, чтобы вытянуть колонки Амфитон 25ас-027 ? Или нужно будет покупать ещё один электрофон с усилителем?

_________________
Omnia mea mecum porto.


Вернуться к началу
 Профиль  
 
СообщениеДобавлено: 19 ноя 2024, 09:41  Заголовок сообщения:
Не в сети
Аватара пользователя

Зарегистрирован: 24 дек 2007, 09:40
Сообщения: 1183
Откуда: СПб
Игорь Стихин писал(а):
Технический вопрос: "Мелодия-103м" может только от собственного усилителя работать?
Если Вам не надо, чтоб стены тряслись, а просто озвучить среднюю комнату - вполне пойдет


Вернуться к началу
 Профиль  
 
СообщениеДобавлено: 19 ноя 2024, 09:58  Заголовок сообщения:
Не в сети
Аватара пользователя

Зарегистрирован: 11 ноя 2011, 13:49
Сообщения: 10358
Откуда: бюро "Биджан"
Цитата:
PS
Рома, хорошая тонкая фанера - это хорошая толстая фанера. Для колонок только так и никак иначе.

Мне надо не хорошую большую колонку, а маленькую на батарейках. Мусье так решил. :roll:

В ДОСААФ зайду, спасибо...

_________________
Мои снимки. Не снимайте против света.


Вернуться к началу
 Профиль  
 
СообщениеДобавлено: 19 ноя 2024, 17:38  Заголовок сообщения:
Не в сети
Аватара пользователя

Зарегистрирован: 19 июн 2008, 19:36
Сообщения: 7335
Откуда: Москва
Игорь Стихин писал(а):
Технический вопрос: "Мелодия-103м" может только от собственного усилителя работать? Более мощный в паре с ней может быть подкючён, ... ?

Линейного выхода у Мелодии нет. Есть только входы. Но это я опять смотрю на схему ранней версии Мелодии. Поздней у меня нет. Вообще, линейный выход делается за 5 минут при наличии паяльника и понимания, куда припаять ))
Решили всё-таки, пойти более сложным путём? Предполагаю, следующим будет вопрос, какой усилитель купить? )


Вернуться к началу
 Профиль  
 
СообщениеДобавлено: 19 ноя 2024, 18:52  Заголовок сообщения:
Не в сети
Аватара пользователя

Зарегистрирован: 24 дек 2007, 09:40
Сообщения: 1183
Откуда: СПб
Алексей T. писал(а):
...
Линейного выхода у Мелодии нет....

Выход для магнитофона на запись - и есть линейный выход :)


Вернуться к началу
 Профиль  
 
СообщениеДобавлено: 19 ноя 2024, 18:55  Заголовок сообщения:
Не в сети
Аватара пользователя

Зарегистрирован: 28 апр 2019, 15:27
Сообщения: 1701
Откуда: Екатеринбург
Алексей T. писал(а):
Вообще, линейный выход делается за 5 минут при наличии паяльника и понимания, куда припаять ))
Решили всё-таки, пойти более сложным путём?

Да. Точно. Паяльник есть, а понимания нет.

Пусть сегодня страшен нам
Винила сиплый шорох.
Это очень хорошо,
Что сейчас нам плохо.

_________________
Omnia mea mecum porto.


Вернуться к началу
 Профиль  
 
СообщениеДобавлено: 19 ноя 2024, 19:53  Заголовок сообщения:
Не в сети
Аватара пользователя

Зарегистрирован: 19 июн 2008, 19:36
Сообщения: 7335
Откуда: Москва
Алексей T. писал(а):
Линейного выхода у Мелодии нет.

Таки, нашел схему на 103М. Чтобы подключить внешний усилитель нужно нажать одновременно кнопки Звукосниматель и Магнитофон. Усилитель подключать в гнездо Магнитофон. Паять не нужно! :D
PS сэкономили на одном гнезде! )))


Вернуться к началу
 Профиль  
 
СообщениеДобавлено: 19 ноя 2024, 20:11  Заголовок сообщения:
Не в сети
Аватара пользователя

Зарегистрирован: 27 дек 2008, 21:04
Сообщения: 1245
Откуда: Николо-Березовка
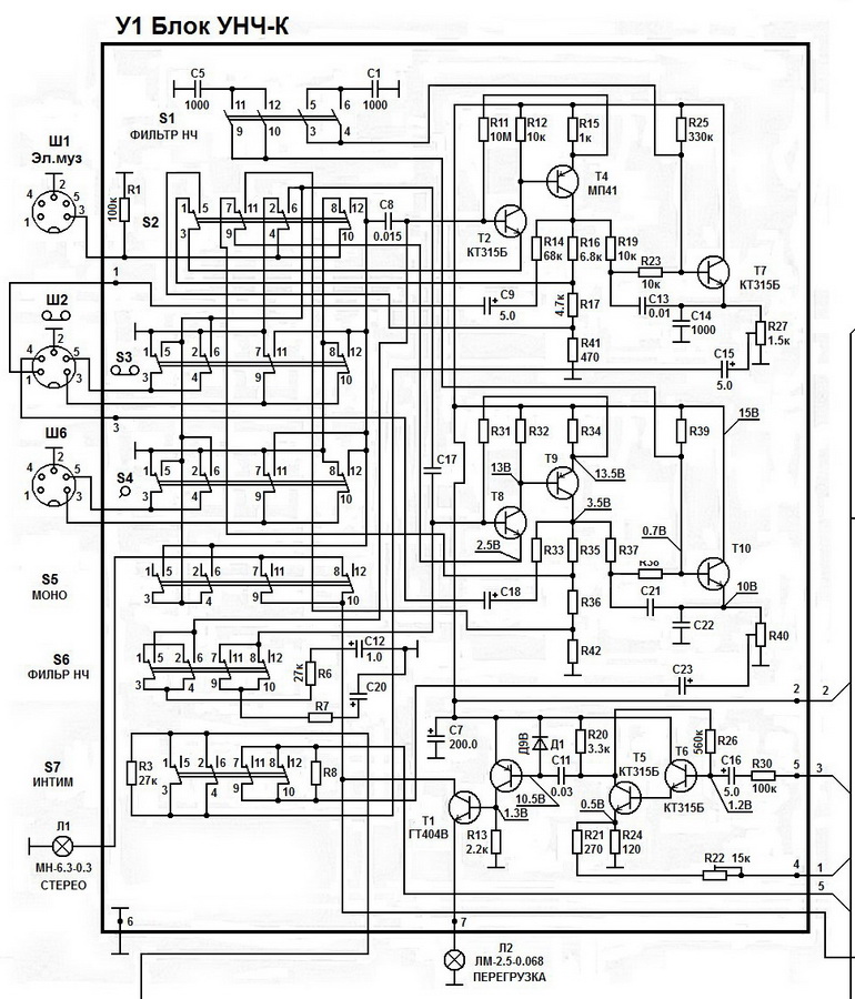
Игорь Стихин писал(а):
Да. Точно. Паяльник есть, а понимания нет.


Ш2 - это и вход с магнитофона, и линейный выход. Нужно всего лишь спаять правильный кабель.
1+4 и 2(экран) = линейный выход.

Вложение:
Мелодия-103_1.jpg
Мелодия-103_1.jpg [ 232.44 КБ | Просмотров: 3521 ]

_________________
Моя фототехника


Вернуться к началу
 Профиль  
 
СообщениеДобавлено: 19 ноя 2024, 20:19  Заголовок сообщения:
Не в сети
Аватара пользователя

Зарегистрирован: 27 дек 2008, 21:04
Сообщения: 1245
Откуда: Николо-Березовка
Алексей T. писал(а):
Таки, нашел схему на 103М. Чтобы подключить внешний усилитель нужно нажать одновременно кнопки Звукосниматель и Магнитофон. Усилитель подключать в гнездо Магнитофон. Паять не нужно! :D
PS сэкономили на одном гнезде! )))

Если так сделать, то смикшируете два входа. Поэтому не нужно нажимать обе кнопки. Как уже писал выше - 1+4 и 2(экран) = линейный выход. А 3 + 5 + 2(экран) = вход с магнитофона. Вот тогда и нажимаем кнопку "Магнитофон".

_________________
Моя фототехника


Вернуться к началу
 Профиль  
 
СообщениеДобавлено: 19 ноя 2024, 20:54  Заголовок сообщения:
Не в сети
Аватара пользователя

Зарегистрирован: 19 июн 2008, 19:36
Сообщения: 7335
Откуда: Москва
Ott_A писал(а):

Ш2 - это и вход с магнитофона, и линейный выход. Нужно всего лишь спаять правильный кабель.
1+4 и 2(экран) = линейный выход.

Вложение:
Мелодия-103_1.jpg

1 и 4 - это вход для подключения радиоприёмника (указано в инструкции) с уровнем сигнала 30-50 мВ. Далее по схеме идёт последовательная цепочка из конденсатора 5 Мкф и резистора 68 Ком. Выход с таким большим сопротивлением не делают. Конечно, там будет некоторый сигнал, но меньший, чем на контактах 3 и 5 при одновременно нажатых кнопках.

Ott_A писал(а):
Алексей T. писал(а):
Таки, нашел схему на 103М. Чтобы подключить внешний усилитель нужно нажать одновременно кнопки Звукосниматель и Магнитофон. Усилитель подключать в гнездо Магнитофон. Паять не нужно! :D
PS сэкономили на одном гнезде! )))

Если так сделать, то смикшируете два входа.
Всё верно. Сигнал с внутреннего фонокорректора проступит одновременно на встроенный усилитель и на гнездо Магнитофон. Оно и будет выполнять линейного выхода с контактами 3 и 5. Изготавливать необычный кабель не потребуется.

PS А тем временем, Игорь заказывает вторую порцию попкорна :D :beer:


Вернуться к началу
 Профиль  
 
СообщениеДобавлено: 19 ноя 2024, 21:07  Заголовок сообщения:
Не в сети
Аватара пользователя

Зарегистрирован: 19 июн 2008, 19:36
Сообщения: 7335
Откуда: Москва
Еще добавлю. В СССР была некая стандартизация нумерации контактов в соединительных кабелях. Для магнитофона, звукоснимателя, линейного выхода (250-500 мВ) - использовали контакты 3, 5, 2. Для радиоприёмника (30-50 мВ) - контакты 1, 4, 2. Ну и микрофон туда же, на 1 и 2. Кабелей со смешанной распайкой не было. Это могло бы сбить с толку потребителя.


Вернуться к началу
 Профиль  
 
СообщениеДобавлено: 19 ноя 2024, 21:54  Заголовок сообщения:
Не в сети
Аватара пользователя

Зарегистрирован: 27 дек 2008, 21:04
Сообщения: 1245
Откуда: Николо-Березовка
Алексей T. писал(а):
1 и 4 - это вход для подключения радиоприёмника (указано в инструкции) с уровнем сигнала 30-50 мВ. Далее по схеме идёт последовательная цепочка из конденсатора 5 Мкф и резистора 68 Ком. Выход с таким большим сопротивлением не делают. Конечно, там будет некоторый сигнал, но меньший, чем на контактах 3 и 5 при одновременно нажатых кнопках.

Можно и так, как пишите Вы. Уровень сигнала на выходе будет 250 мВ.
Вложение:
Мелодия-103_2.jpg
Мелодия-103_2.jpg [ 109.15 КБ | Просмотров: 3476 ]

_________________
Моя фототехника


Вернуться к началу
 Профиль  
 
СообщениеДобавлено: 19 ноя 2024, 22:18  Заголовок сообщения:
Не в сети
Аватара пользователя

Зарегистрирован: 24 дек 2007, 09:40
Сообщения: 1183
Откуда: СПб
Алексей T. писал(а):
Еще добавлю. В СССР была некая стандартизация нумерации контактов в соединительных кабелях....

Вообще-то это международный стандарт DIN :lol:


Вернуться к началу
 Профиль  
 
СообщениеДобавлено: 19 ноя 2024, 22:57  Заголовок сообщения:
Не в сети
Аватара пользователя

Зарегистрирован: 19 июн 2008, 19:36
Сообщения: 7335
Откуда: Москва
Shuare писал(а):
Алексей T. писал(а):
Еще добавлю. В СССР была некая стандартизация нумерации контактов в соединительных кабелях....

Вообще-то это международный стандарт DIN :lol:

Но японцы об этом не знали и делали в одном гнезде вход 3, 5 и выход 1, 4 :) Или наоборот... Экономили!


Вернуться к началу
 Профиль  
 
СообщениеДобавлено: 19 ноя 2024, 23:14  Заголовок сообщения:
Не в сети
Аватара пользователя

Зарегистрирован: 24 дек 2007, 09:40
Сообщения: 1183
Откуда: СПб
Алексей T. писал(а):
...
Но японцы об этом не знали и делали в одном гнезде вход 3, 5 и выход 1, 4 :) Или наоборот... Экономили!

Вы не поверите - но и такой вариант в стандарте предусмотрен :lol:


Вернуться к началу
 Профиль  
 
СообщениеДобавлено: 20 ноя 2024, 11:45  Заголовок сообщения:
Не в сети
Аватара пользователя

Зарегистрирован: 28 апр 2019, 15:27
Сообщения: 1701
Откуда: Екатеринбург
Алексей T. писал(а):
PS А тем временем, Игорь заказывает вторую порцию попкорна :D :beer:

Большое спасибо всем за освещение аудио- и радиотехнических вопросов. Освежу в памяти институтский курс электротехники и займусь материальной базой меломана. Насколько я правильно понял, что усилитель новый и мощный без надобности. Достаточно штатного. Нужен только специальный кабель со штекером магнитофона для подключения напрямую к пассивным колонкам? Какой допустимый предел мощности колонок в этом случае? Громкость ставлю ниже средней. Примерно на 3 и 4 позиции шкалы ползунка. Если колонки будут мощнее, то и сопротивление у них будет меньше? Будут больше нагружать усилитель на НЧ?
Низкими частотами не злоупотребляю. Только И.С.Бах иногда вставлял в финальных аккордах фуг пассажи 16-дюймовых принципалов.
Вчера съездил на прослушивание колонок Амфитон 25ас-027. Обслужены заменой подвесов СЧ и НЧ. Пластиковый какой-то звук у них и мембраны ВЧ звенят как ложки по пустой тарелке. Винила у хозяина нет, слушали МР3 с телефона через усилитель Амфитон 75

_________________
Omnia mea mecum porto.


Последний раз редактировалось Игорь Стихин 20 ноя 2024, 13:23, всего редактировалось 1 раз.

Вернуться к началу
 Профиль  
 
Показать сообщения за:  Поле сортировки  
Начать новую тему Ответить на тему  [ Сообщений: 2974 ]  На страницу Пред.  1 ... 129, 130, 131, 132, 133, 134, 135 ... 149  След.

Часовой пояс: UTC + 3 часа


Кто сейчас на форуме

Сейчас этот форум просматривают: нет зарегистрированных пользователей и гости: 8


Вы не можете начинать темы
Вы не можете отвечать на сообщения
Вы не можете редактировать свои сообщения
Вы не можете удалять свои сообщения
Вы не можете добавлять вложения

Найти:
Перейти:  
Купить Бокалы Spiegelau - официальный магазин.