Текущее время: 16 мар 2026, 01:22

Часовой пояс: UTC + 3 часа




Начать новую тему Ответить на тему  [ Сообщений: 3007 ]  На страницу Пред.  1 ... 147, 148, 149, 150, 151
Автор Сообщение
СообщениеДобавлено: 15 мар 2026, 14:37  Заголовок сообщения:
Не в сети
Аватара пользователя

Зарегистрирован: 19 июн 2008, 19:36
Сообщения: 7346
Откуда: Москва
Ott_A писал(а):
С каких пор графит стал абразивом?
Графит - проводник. Абразив - предложенная Вами медная стружка.
И то и другое неприменимо для данной цели.

Ott_A писал(а):
Насколько я знаю, еще ни одному пластику литол не повредил.

Можно загуглить, как выглядят пластиковые детали, смазанные литолом.


Вернуться к началу
 Профиль  
 
СообщениеДобавлено: 15 мар 2026, 14:46  Заголовок сообщения:
Не в сети
Аватара пользователя

Зарегистрирован: 28 апр 2019, 15:27
Сообщения: 1710
Откуда: Екатеринбург
paderborner писал(а):
что за "буржуйский" аппарат?

Салора 2001, выше на фото, финский ОЕМ немецкого розлива 1974 года. До резистора ещё нужно добраться, пока не разбирал. Включаю, сначала оба канала звучат нормально, через 2-3 минуты в левом начинается шорох, постепенно переходит в далёкие раскаты грома через 5-7 минут. Сниму, попробую подогнуть контакты. Не получится - буду искать новые на замену.

_________________
Omnia mea mecum porto.


Вернуться к началу
 Профиль  
 
СообщениеДобавлено: 15 мар 2026, 15:44  Заголовок сообщения:
Не в сети
Аватара пользователя

Зарегистрирован: 27 дек 2008, 21:04
Сообщения: 1250
Откуда: Николо-Березовка
Алексей T. писал(а):
Графит - проводник. Абразив - предложенная Вами медная стружка.

В том-то и заключается эффект - компенсировать ослабший прижим бегунка. Всего-то надо смазать тонким слоем дорожку. В отличие от моторного масла - литол не стекает.
В медной смазке - не стружка, а пыль медная. Как думаете в выключателях, коммутирующие токи в 6-10 тыс. Ампер допустимо истирание?

Алексей T. писал(а):
Можно загуглить, как выглядят пластиковые детали, смазанные литолом.

Сказав "А", говорите "Б". И, желательно, не дзеновсий треп.

_________________
Моя фототехника


Вернуться к началу
 Профиль  
 
СообщениеДобавлено: 15 мар 2026, 16:15  Заголовок сообщения:
Не в сети
Аватара пользователя

Зарегистрирован: 11 янв 2019, 00:07
Сообщения: 5745
Откуда: Падерборн, Германия
Игорь Стихин писал(а):
Включаю, сначала оба канала звучат нормально, через 2-3 минуты в левом начинается шорох,
постепенно переходит в далёкие раскаты грома через 5-7 минут.

это совсем не похоже на ползунки, как я из ваших слов понял.
скорее указывает на высохшие, с утечкой электролиты,
как правило малой ёмкости.

с ними вы быстро разберётесь.

_________________
* цель вижу, в себя верю


Последний раз редактировалось paderborner 15 мар 2026, 16:20, всего редактировалось 1 раз.

Вернуться к началу
 Профиль  
 
СообщениеДобавлено: 15 мар 2026, 16:20  Заголовок сообщения:
Не в сети
Аватара пользователя

Зарегистрирован: 19 июн 2008, 19:36
Сообщения: 7346
Откуда: Москва
Игорь Стихин писал(а):
paderborner писал(а):
что за "буржуйский" аппарат?

Салора 2001

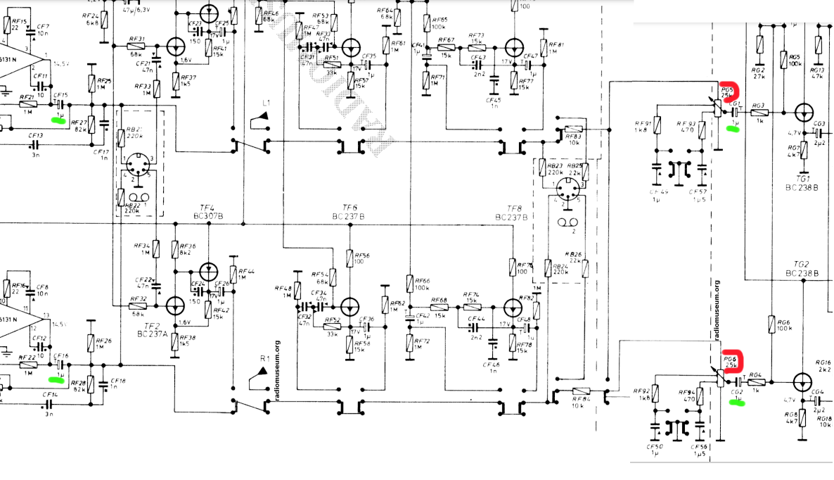
Регуляторы громкости на схеме отметил красным PG5, PG6 - 25 КОм с двумя отводами тонкомпенсации.
Зелёным отметил конденсаторы 1 Мкф, которые нужно проверить на утечку. Аппарат всё-таки, старый.


Вложения:
salora-salo-hi-fi-stereo-2001-2219676.pdf.png
salora-salo-hi-fi-stereo-2001-2219676.pdf.png [ 289.86 КБ | Просмотров: 63 ]
Вернуться к началу
 Профиль  
 
СообщениеДобавлено: 15 мар 2026, 16:22  Заголовок сообщения:
Не в сети
Аватара пользователя

Зарегистрирован: 11 янв 2019, 00:07
Сообщения: 5745
Откуда: Падерборн, Германия
Алексей T. писал(а):
Зелёным отметил конденсаторы 1 Мкф, которые нужно проверить на утечку.

я думаю вы правы.
да и не помешало бы конечно пробежаться
по всем электролитическим конденсаторам и дохлые заменить

_________________
* цель вижу, в себя верю


Вернуться к началу
 Профиль  
 
СообщениеДобавлено: 15 мар 2026, 16:34  Заголовок сообщения:
Не в сети
Аватара пользователя

Зарегистрирован: 28 апр 2019, 15:27
Сообщения: 1710
Откуда: Екатеринбург
Алексей T. писал(а):
Регуляторы громкости на схеме отметил красным PG5, PG6 - 25 КОм с двумя отводами тонкомпенсации.
Зелёным отметил конденсаторы 1 Мкф, которые нужно проверить на утечку. Аппарат всё-таки, старый.

Большое спасибо, Алексей. Буду лечить старенького заслуженного немца. Не дам пропасть.

_________________
Omnia mea mecum porto.


Вернуться к началу
 Профиль  
 
Показать сообщения за:  Поле сортировки  
Начать новую тему Ответить на тему  [ Сообщений: 3007 ]  На страницу Пред.  1 ... 147, 148, 149, 150, 151

Часовой пояс: UTC + 3 часа


Кто сейчас на форуме

Сейчас этот форум просматривают: нет зарегистрированных пользователей и гости: 47


Вы не можете начинать темы
Вы не можете отвечать на сообщения
Вы не можете редактировать свои сообщения
Вы не можете удалять свои сообщения
Вы не можете добавлять вложения

Найти:
Перейти:  
Купить Бокалы Spiegelau - официальный магазин.