Текущее время: 11 мар 2026, 10:28

Часовой пояс: UTC + 3 часа




Начать новую тему Ответить на тему  [ Сообщений: 36 ]  На страницу Пред.  1, 2
Автор Сообщение
СообщениеДобавлено: 28 дек 2014, 21:22  Заголовок сообщения:
Не в сети
Аватара пользователя

Зарегистрирован: 23 авг 2013, 20:21
Сообщения: 1075
Откуда: Krasnogorsk [50]
evkubasov писал(а):
Вы делитесь время от времени о достигнутых результатах. У нас проблемы возникли одинаковые
(Не было заботы, купила баба порося... :hihi: )


Хорошо, по мере того, как буду разбираться с этим интересным агрегатом, буду отписываться. Пока нужно добиться, чтобы застопоренные высохшей смазкой части обрели подвижность. Так что дальше, чем "размачивание" - сегодня вряд ли уже уйду.

_________________
"Смена", "Смена-8м+Блик", "Смена-Символ", Киев-Вега, Заря
Зоркий, Зоркий-С, Зоркий-2с, Зоркий-3, Зоркий-4, Зоркий-6, Зоркий-10, Мир, ФЭД-2
:)
https://nick-name.ru/nickname/id887288/


Вернуться к началу
 Профиль  
 
СообщениеДобавлено: 01 янв 2015, 17:46  Заголовок сообщения: Зенит-4
Не в сети
Аватара пользователя

Зарегистрирован: 23 авг 2013, 20:21
Сообщения: 1075
Откуда: Krasnogorsk [50]
У моего экземпляра оказался сломан рычаг привода диафрагмы и указателей глубины резкости. Причем обломок внутри аппарата не найден. Похоже придется после праздников обращаться за помощью к специалистам.
На удивление - экспонометр оказался не только работоспособным, но и вполне правдоподобным по показаниям, несмотря на сорокалетний возраст селенового элемента.

_________________
"Смена", "Смена-8м+Блик", "Смена-Символ", Киев-Вега, Заря
Зоркий, Зоркий-С, Зоркий-2с, Зоркий-3, Зоркий-4, Зоркий-6, Зоркий-10, Мир, ФЭД-2
:)
https://nick-name.ru/nickname/id887288/


Вернуться к началу
 Профиль  
 
СообщениеДобавлено: 01 янв 2015, 17:56  Заголовок сообщения:
Не в сети
Аватара пользователя

Зарегистрирован: 14 ноя 2009, 19:50
Сообщения: 1281
Откуда: Россия
Слежу. Своего пока капитально не касался.

_________________
Наше время -время собирать камни...


Вернуться к началу
 Профиль  
 
СообщениеДобавлено: 06 янв 2015, 10:16  Заголовок сообщения:
Не в сети

Зарегистрирован: 06 ноя 2014, 10:01
Сообщения: 24
Откуда: Омск
Как то совсем не в тему, есть "барахолка" для этого.


Вернуться к началу
 Профиль  
 
СообщениеДобавлено: 10 фев 2015, 16:54  Заголовок сообщения:
Не в сети
Аватара пользователя

Зарегистрирован: 21 окт 2010, 03:43
Сообщения: 6233
Откуда: Харьков
b200800 писал(а):
Как то совсем не в тему, есть "барахолка" для этого.

Размещал фото с единственной целью - пообщаться с владельцем такого же аппарата. Но попал на специалистов по обсуждению того чего они никогда не видели и не имеют ни малейшего представления. Эта камера создавалась как система. Предлагаю больше на эту тему словоблудием не заниматься.




Вы всегда так отвечаете?


Вернуться к началу
 Профиль  
 
СообщениеДобавлено: 01 окт 2020, 17:32  Заголовок сообщения:
Не в сети
Аватара пользователя

Зарегистрирован: 20 фев 2010, 22:29
Сообщения: 4876
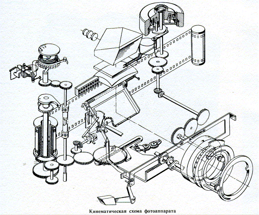
Подскажите, где можно достать какие-нибудь кибенематические схемы этой камеры или инструкцию по ремонту?
Достался аппарат, но у него проблемы с затвором. Он не отрабатывает выдержки. Открывается для фокусировки и просто закрывается при спуске.

_________________
Zeiss Ikon Camera,
Zeiss Objektiv,
Zeiss Ikon Film!


Вернуться к началу
 Профиль  
 
СообщениеДобавлено: 01 окт 2020, 21:49  Заголовок сообщения:
Не в сети
Аватара пользователя

Зарегистрирован: 24 дек 2007, 09:40
Сообщения: 1183
Откуда: СПб
Вот кинематическая, но вряд ли поможет... А инструкции по ремонту ни разу не встречал


Вложения:
кинематическая схема Зенит-4.gif
кинематическая схема Зенит-4.gif [ 209.21 КБ | Просмотров: 6786 ]
Вернуться к началу
 Профиль  
 
СообщениеДобавлено: 02 окт 2020, 11:23  Заголовок сообщения:
Не в сети
Аватара пользователя

Зарегистрирован: 20 фев 2010, 22:29
Сообщения: 4876
Shuare писал(а):
Вот кинематическая, но вряд ли поможет... А инструкции по ремонту ни разу не встречал

Спасибо, это пригодится :)
На пикабу еще нашел пост про ремонт Зенита-6, может кому будет полезно: https://pikabu.ru/story/u_nas_v_remonte ... _6_4704115
Аппарат конечно интересный, но сделан как-то хлипковато. Будем разбираться.

_________________
Zeiss Ikon Camera,
Zeiss Objektiv,
Zeiss Ikon Film!


Вернуться к началу
 Профиль  
 
СообщениеДобавлено: 02 окт 2020, 14:09  Заголовок сообщения:
Не в сети

Зарегистрирован: 18 янв 2016, 23:54
Сообщения: 123
Откуда: Ставрополь
Jagdtiger писал(а):
Подскажите, где можно достать какие-нибудь кибенематические схемы этой камеры или инструкцию по ремонту?
Достался аппарат, но у него проблемы с затвором. Он не отрабатывает выдержки. Открывается для фокусировки и просто закрывается при спуске.

Скорее всего дело в загустевшей смазке. Он, перед тем как открыть кадровое окно, поднимает зеркало и закрывает затвор. После этого затвор должен отработать и остаться закрытым. При взводе закрывается кадровое окно, опускается зеркало и открывается затвор. Так вот, срабатывание затвора там к подъему зеркала никак не привязано! При нажатии кнопки спуска, затвор закрывается просто пружиной, а запуск его происходит после того как отработает замедлитель (он дает время на подъем зеркала).

Jagdtiger писал(а):
На пикабу еще нашел пост про ремонт Зенита-6, может кому будет полезно: https://pikabu.ru/story/u_nas_v_remonte_kollektsionnyiy_zenit_6_4704115

Это я его ремонтировал, фото мои, написано с моих слов. Затвор был исправен, основная проблема была в кнопке спуска.
Видео работы затвора в замедленной съемке заливал на ютуб: https://youtu.be/WallfSVOH88


Вернуться к началу
 Профиль  
 
СообщениеДобавлено: 02 окт 2020, 21:46  Заголовок сообщения:
Не в сети
Аватара пользователя

Зарегистрирован: 20 фев 2010, 22:29
Сообщения: 4876
AlexM412 писал(а):
[
Это я его ремонтировал, фото мои, написано с моих слов. Затвор был исправен, основная проблема была в кнопке спуска.
Видео работы затвора в замедленной съемке заливал на ютуб: https://youtu.be/WallfSVOH88

Оу, вот оно как... Может тогда подскажете из своего опыта? :)
Снял переднюю панель. Насколько понимаю, то затвор взводится осью в нижней части. При повороте этой оси открываются и фиксируются лепестки для визирования.
Вопрос - что должно происходить при нажатии на спуск (при условии что передняя панель снята с камеры)? У меня просто закрываются лепестки и все.

_________________
Zeiss Ikon Camera,
Zeiss Objektiv,
Zeiss Ikon Film!


Вернуться к началу
 Профиль  
 
СообщениеДобавлено: 03 окт 2020, 08:42  Заголовок сообщения:
Не в сети
Аватара пользователя

Зарегистрирован: 19 ноя 2012, 20:05
Сообщения: 528
Откуда: KatyBurg
Jagdtiger писал(а):
AlexM412 писал(а):
У меня просто закрываются лепестки и все.

Далее должно идти зеркало, изучай почему нет.

PS. А нахрена вам он нужен, вся эта серия работает неделю опосля ремонта :) , хотя стекло (Vega) там неплохое.


Вернуться к началу
 Профиль  
 
СообщениеДобавлено: 03 окт 2020, 19:16  Заголовок сообщения:
Не в сети
Аватара пользователя

Зарегистрирован: 21 окт 2010, 03:43
Сообщения: 6233
Откуда: Харьков
Про Зенит 4 сказать пока ничего не могу, он у меня в ремонте, а вот Bessamatic приятнейшая машинка от которой получаешь удовольствие от процесса фотографирования.


Вернуться к началу
 Профиль  
 
СообщениеДобавлено: 03 окт 2020, 22:55  Заголовок сообщения:
Не в сети

Зарегистрирован: 18 янв 2016, 23:54
Сообщения: 123
Откуда: Ставрополь
Jagdtiger писал(а):
Вопрос - что должно происходить при нажатии на спуск (при условии что передняя панель снята с камеры)?

Он должен закрыться и потом отработать выдержку. Насколько помню, ось взвода при спуске затвора, снятого с корпуса, надо чуть придерживать до момента когда закроется затвор и потом отпустить. Замедлитель этого процесса находится внизу корпуса, он притормаживает зубчатую рейку.


Вернуться к началу
 Профиль  
 
СообщениеДобавлено: 04 окт 2020, 02:37  Заголовок сообщения:
Не в сети
Аватара пользователя

Зарегистрирован: 20 фев 2010, 22:29
Сообщения: 4876
AlexM412 писал(а):
Он должен закрыться и потом отработать выдержку. Насколько помню, ось взвода при спуске затвора, снятого с корпуса, надо чуть придерживать до момента когда закроется затвор и потом отпустить. Замедлитель этого процесса находится внизу корпуса, он притормаживает зубчатую рейку.

Уже разобрался. Промыл затвор в калоше, заработали выдержки. Долго маялся с тем, чтобы рейка в корпусе доходила до момента срабатывания установленной выдержки. Сделал, начал собирать назад. И пока проверял в какой-то момент затвор взвелся и заклинил во взведенном положении :(

_________________
Zeiss Ikon Camera,
Zeiss Objektiv,
Zeiss Ikon Film!


Вернуться к началу
 Профиль  
 
СообщениеДобавлено: 26 окт 2020, 18:30  Заголовок сообщения:
Не в сети
Аватара пользователя

Зарегистрирован: 20 фев 2010, 22:29
Сообщения: 4876
Затвор реабилитировали, оказалось взводную ось заклинило.
Камера собрана, но есть нюанс. Взвод слишком тугой, идет неравномерно.
Что характерно - без передней панели с затвором взвод работает вполне нормально.
Хотелось бы понять - тугой взвод это норма для данной камеры?
Или имеет место быть какой-то косяк в блоке затвора?

_________________
Zeiss Ikon Camera,
Zeiss Objektiv,
Zeiss Ikon Film!


Вернуться к началу
 Профиль  
 
СообщениеДобавлено: 26 окт 2020, 19:34  Заголовок сообщения:
Не в сети

Зарегистрирован: 18 янв 2016, 23:54
Сообщения: 123
Откуда: Ставрополь
Точно не помню, но вроде как взвод у этой модели далеко не эталонный. На рукоятке ощущаются перемещения механизмов внутри камеры (примерно как на Зените 3М, чувствуется как взводится зеркало). Если отдельно тушка без затвора и сам затвор взводятся легко, возможно проблема в загустевшей смазке на осях механизма взвода. При появлении нагрузки в виде затвора, трение усиливается вот и туго идет...


Вернуться к началу
 Профиль  
 
Показать сообщения за:  Поле сортировки  
Начать новую тему Ответить на тему  [ Сообщений: 36 ]  На страницу Пред.  1, 2

Часовой пояс: UTC + 3 часа


Кто сейчас на форуме

Сейчас этот форум просматривают: нет зарегистрированных пользователей и гости: 5


Вы не можете начинать темы
Вы не можете отвечать на сообщения
Вы не можете редактировать свои сообщения
Вы не можете удалять свои сообщения
Вы не можете добавлять вложения

Найти:
Перейти:  
Купить Бокалы Spiegelau - официальный магазин.